GR900D電氣火災監控探測器--珠海格銳電子有限公司

設爲首頁    |   加入收(shōu)藏

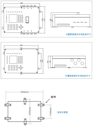
電氣(qì)火災監控探測器(qi)(導軌式)

當前位置(zhi): 産品中心 電氣火(huo)災監控系列 -> 電氣(qi)火災監控探測器(qi)(導軌式)

[ 返回(hui) ]

总 公 司(sī)急 速 版WAP 站H5 版无线(xian)端AI 智能3G 站4G 站5G 站6G 站(zhàn)
·